Pilipino
|
Numero ng modelo |
Sg - dtm06u (c, m) 2 - x |
Sg - dtm06u (c, m) 2 - tx |
Sg - dtm03u (c, m) 2 - x |
Sg - dtm03u (c, m) 2 - tx |
Sg - dtm02u (c) 2 - x |
Sg - dtm02u (c) 2 - tx |
|
Thermal module |
||||||
|
Sensor ng imahe |
Uncooled Vox Microbolometer |
|||||
|
Agwat ng pixel |
12μm |
|||||
|
Response Waveber |
8μm hanggang 14μm |
|||||
|
Max. Paglutas |
640 × 512 |
384 × 228 |
256 × 192 |
|||
|
Frame Rate (FPS) |
50 |
25 |
50 |
25 |
50 |
25 |
|
Lens (focal haba) |
9.1/13/19/25mm |
9.1/13mm |
4/7/10mm |
|||
|
F number |
F1.0/ f1.0/ f1.1/ f1.2 |
F1.0 |
F1.0 |
|||
|
Larangan ng view (H × V) |
45.9 ° × 36.9 °/32.9 ° × 26.6 °/ 22.6 ° × 18.2 °/17.3 ° × 13.8 ° |
28.7 ° × 21.7 °/20.1 ° × 15.1 ° |
46.8 ° × 34.1 °/24.6 ° × 18.5 °/16.9 ° × 12.8 ° |
|||
|
Pagsukat ng temp |
N/a |
Suporta |
N/a |
Suporta |
N/a |
Suporta |
|
Pagsukat sa temperatura |
||||||
|
Saklaw ng temperatura |
LT mode: - 20 ° C ~+150 ° C; HT mode: 0 ° C ~+550 ° C. |
|||||
|
Error sa pagsukat |
Max (± 2 ° C, ± 2%); Operating temp: - 20 ° C ~+50 ° C. |
|||||
|
Display ng imahe |
||||||
|
Pagsasaayos ng imahe |
Ningning, kaibahan, matalim |
|||||
|
Pagpapahusay ng detalye |
Suporta |
|||||
|
Makamit |
Auto/Manu -manong |
|||||
|
Pagbabawas ng ingay |
2d/3d |
|||||
|
I -flip |
Suporta |
|||||
|
Salamin |
Suporta |
|||||
|
Pseudo - Kulay |
18 palette ng kulay na nababagay |
|||||
|
Crosshair |
Ipakita/mawala/itago |
|||||
|
Pagproseso ng imahe |
NUC CORRECTION, Digital Noise Filter, DDE |
|||||
|
Video |
||||||
|
Output ng video |
Uvc/bt.656/mipi/lvds/cvbs |
UVC/CVBS |
||||
|
Interface ng pagpapalawak |
USB/MIPI/CVBS/TYPE - c |
USB/CVBS/TYPE - c |
||||
|
Komunikasyon ng Serial |
Uart serial port |
|||||
|
Pangkalahatan |
||||||
|
Kapangyarihan |
DC 4.5 ~ 5.5V; CVBS: DC 4.5–20V |
|||||
|
Pagkonsumo ng kuryente |
≤0.7w@25°c |
≤0.7w@25°c |
≤0.55w@25°c |
|||
|
Temperatura ng pagtatrabaho |
- 40 ° C ~ 70 ° C. |
|||||
|
Temperatura ng imbakan |
- 40 ° C ~ 80 ° C. |
|||||
|
Paggawa ng kahalumigmigan |
≤95% RH (hindi - condensing) |
|||||
|
Pagkabigla |
6.06g Random, 3 - Axis, Vibration ng Sine Wave |
|||||
|
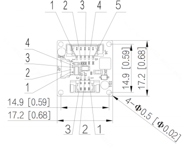
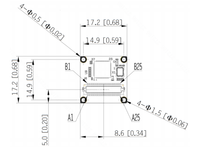
Sukat |
17.3mm*17.3mm*10.8mm (walang lens spacer ring tail plate) |
|||||
|
Timbang |
5g (walang lens spacer ring tail plate) |
|||||




Iwanan ang iyong mensahe

